Bullet Magnet
Magnet Peluru
Pemisah peluru magnet untuk membuang pencemaran logam ferus daripada sistem penghantaran graviti atau pneumatik
Bullet Magnet
Magnet Peluru
Pemisah peluru magnet untuk membuang pencemaran logam ferus daripada sistem penghantaran graviti atau pneumatik
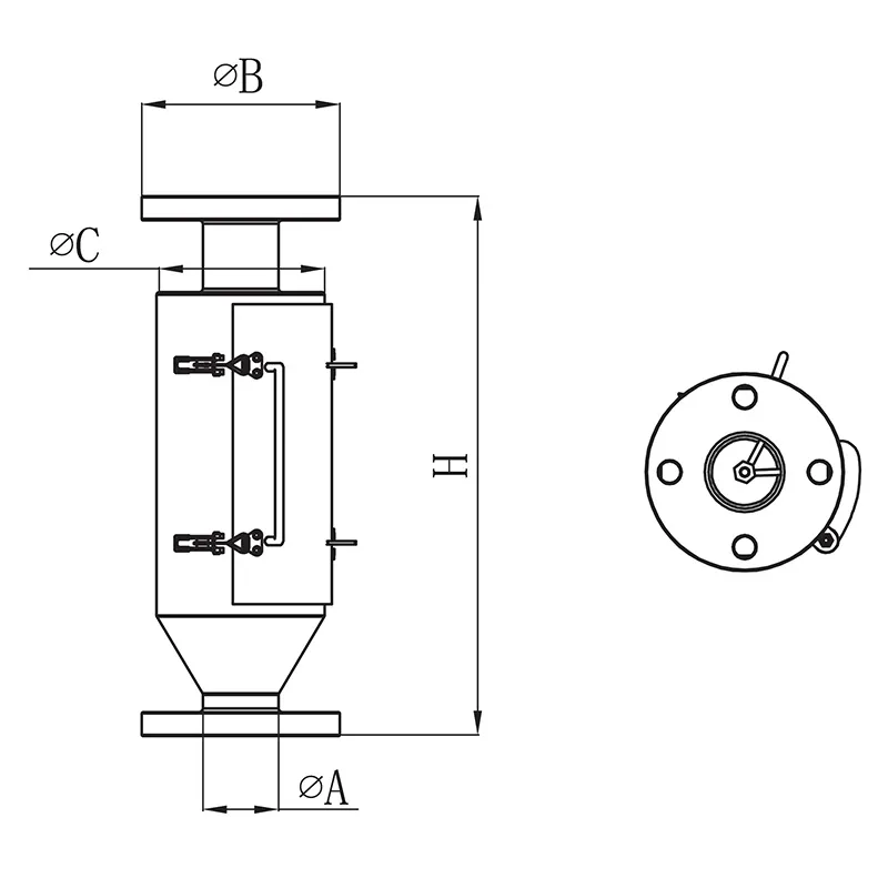
Magnet peluru sesuai untuk menangkap kekotoran ferus, termasuk pemfailan besi dan zarah feromagnetik yang lebih besar, daripada bahan kering yang dihantar melalui sistem pengangkutan graviti atau udara. Pemisah magnetik ini biasanya digunakan dalam industri seperti pengilangan tepung, pemprosesan bijirin, pembuatan plastik, dan pemprosesan serbuk kaolin atau talkum, di mana mengekalkan ketulenan produk adalah penting.
Setiap magnet peluru terdiri daripada teras magnet kon berbentuk peluru yang ditempatkan dalam selongsong keluli tahan karat, biasanya dipasang dalam sistem saluran paip penghantaran. Pemisah ini berkesan menangkap bahan cemar ferus, memastikan bahan bersih dan melindungi peralatan hiliran daripada kemungkinan kerosakan.
| Model | Dimensi (mm) | Berat (kg) | |||
| ØA | B | C | H | ||
| | 51 | 150 | 114 | 380 | 9 |
| | 76 | 185 | 168 | 540 | 20 |
| | 100 | 165 | 219 | 586 | 34 |
| | 150 | 225 | 273 | 655 | 48.5 |
| | 198 | 275 | 355 | 760 | 100 |
| | 248 | 325 | 426 | 850 | 121 |
| | 298 | 395 | 480 | 880 | 143 |
| | 395 | 480 | 610 | 1100 | 227 |
- Reka bentuk kon berbentuk peluru memastikan interaksi optimum antara medan magnet dan aliran bahan, meningkatkan kecekapan pemisahan.
- Kekuatan medan magnet tersedia dari 3,000 GS hingga 15,000 GS, memastikan penyingkiran bahan cemar feromagnetik dengan berkesan.
- Pembersihan adalah mudah dan cepat: lepaskan selak, buka pintu keluli tahan karat, dan lap teras magnet sehingga bersih.
- Reka bentuk tersuai tersedia untuk memenuhi keperluan operasi dan keperluan bahan tertentu.














